Custom Press Brake Tools
Fangwei can provide customers with American precision style, European precision style and Wila Trumpf style press brake tooling products. In addition to standard pieces, we can also provide custom press brake tools based on your requirements (design, material, size, finishing, etc.)
Our experienced designers will follow through to guarantee the high quality of your custom tools. If you are not sure about the precise parameters, you can send a sample to us. We’ll design the drawing and arrange the production.
-
1 Material
-
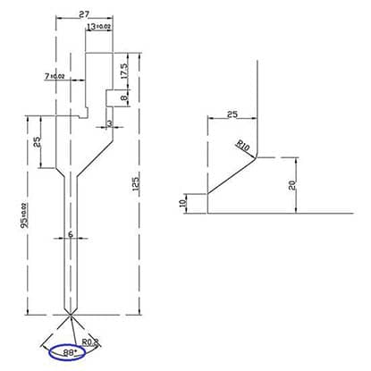
2 Radius and Angle Modification
Sheet metal manufacturers, who utilize press brakes, often have small batch production orders. Thus, they need various press brake tools. Based on their original press brake tooling, Fangwei can modify the length, angle, thickness, V-openings to satisfy the custom needs. Compared to the new produced special tool, modification of press brake tooling can realize substantial savings on production costs.
Modification's Range
-
3 Laser Marking
According to customer requirements, one unique laser marking serial number on the surface of the press brake tooling is available. By this method, customers can trace the production status of every product online.
-
4 Finishing
A protective coating layer can be added on the surface of press brake tooling to decrease friction and increase the corrosion resistance.
-
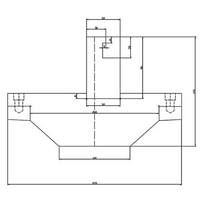
5 Size
With advanced CNC machinery, press brake tooling and shear blades can be cut into different sizes based on customer requirements.
-
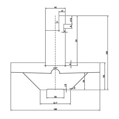
6 Grooves for Dies
In order to adapt to the grooves of different press brake systems, Fangwei can modify the punches and dies to fit your needs.









